Warning: Undefined array key "visitDate" in /home2/sap/public_html/header.php on line 6
Bilge Pump for the Capri  - Thumbnail View

Warning: Undefined array key "session_logged_in" in /home2/sap/public_html/header.php on line 612
home | shopping | contact | projects | login|join
     Bilge Pump for the Capri        
Search Projects:
 
Share Thumbnails Slideshow Tutorial

Bilge Pump for the Capri
Submitted By: Mark42
Date Created: 03-21-2009
Description: The Bayliner Capri 1600 did not come with a factory bilge pump. So everything had to be added, from the thru-hull fitting to the switch.

This boat is mostly trailered, but I want to be able to leave it anchored for a few days. That means a bilge pump is needed in case of rain so the boat won't fill with water.

Every aspect of this project meets or exceeds Coast Guard Regulations and industry standards.

Decided to use the Attwood Sahara S750 automatic pump because of its outstanding rating and durability.

Most all of the materials came from Foreandaftmarine.com or other discount retailers. I stopped ordering from iboats.com because they are just way too expensive on parts AND shipping. iboats.com used to be good, but not any more.
Related Projects: 1985 Bayliner 1600 Capri Cuddy Cabin
    Add a Telltale to the 85 hp Force
    Bayliner 1600 Capri Custom Hard Top
    Permanent Marine Fuel Tank
    (Bilge Pump for the Capri )
    Anchor Pulpit
    Marine Vinyl Decking - Nautolex Deco Dot Install
    Smart Tabs added to the Bayliner
    Johnson 90 hp Repower
Tools / Materials: Go to the Boating Store
Search the Store:
  Displaying 1 - 9 of 12 Next >>

Attwood Sahara S750 Automatic Bilge Pump

Bilge Pump Wire

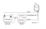
Wiring Diagram

Pump Mounted in Bilge

Mark and Drill

Plumbed and Wired

Closer View

Hose on side of Fuel Tank

Stainless Steel Through Hull
  Displaying 1 - 9 of 12 Next >>
All projects on Shareaproject.com are user-submitted and should be used for reference information only. The projects are not intended to be complete "How-To" articles. Use the information contained in these projects at your own risk. Projects are not checked for completion, accuracy, or safety and therefore cannot be guaranteed in any way.
Outdoor Blog